
Caterpillar – mod. CTP800
Caractéristiques techniques
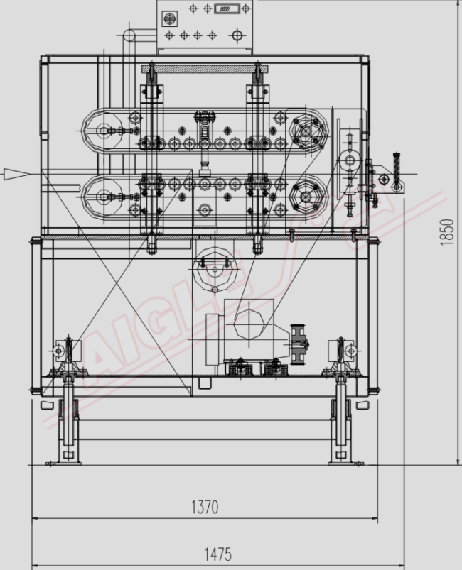
Caterpillar – mod. CTP800
Les Caterpillar mod. CTP800 se compose d’un cadre motorisé solide installé dans la partie inférieure et de deux courroies opposées de 10 mm recouvertes de caoutchouc « Poly V », installées dans la partie supérieure.
La transmission de l’entraînement est assurée par un joint spécial « Schmidt ».
Une double rangée de rouleaux rainurés à l’intérieur des courroies assure une pression totale et constante tout au long de la chaîne.
Pour des raisons de sécurité, lors de l’arrêt de la machine et/ou de l’ouverture de la porte, un piston pneumatique soulève automatiquement la bande supérieure de 100 mm vers le haut, ce qui permet un accès confortable au profil et une inspection aisée de la machine.
La pression de contact entre les courroies sur le profil est obtenue par un cylindre rétractable et réglée à l’aide d’un volant équipé d’un index gravimétrique.
Données techniques
